公司简介 公司新闻 综合资讯 产品展示 产品目录 客户反馈 联系我们 电子邮局
   主要产品为喷射器、蒸汽喷射器、脱硫喷射器、活性炭喷射器、静态混合器、动态混合设备、传热反应设备、过滤设备、消声设备、阻火设备等

混合器
管道过滤器
自清洗过滤器
空气过滤器
灭菌过滤器
滤件系列
精细过滤器
粉体输送设备
粉体混合设备
液体搅拌设备
消声器
特种小型设备
排水器
高效换热器
纸浆漂白专用设备
除污器(滤水器)
喷射器
纤维除雾器

 
喷射器
PSQ-型蒸汽喷射真空泵
PSG-气固喷射器
PSB电线电缆燃烧仪检测喷射器
PSC活性炭喷射器
PSS水泵房喷射节能器
PSY生物柴油喷射器
PST脱硫喷射器
PSD-地坑喷射器
PSJ喷射加热器
罐用喷射器
PSK开工抽引器
PSZ罐底焊缝真空检漏盒抽空器
液固喷射器
抽空器
 
 
SCXQ取样冷却器

  取样冷却器适用于温度较高的液体和气体等介质取样,具有结构紧凑、传热效率高、清洗方便、使用寿命长等优点,广泛用于石油、化工、轻工、电力等部门的、加热、换热,冷却器也可做为油泵的自封冷却器。

  


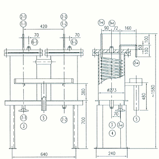
1、单一相取样冷却器SCXQ—IA
单-相取样冷却器主要性能表
管道
设计压力
3.92MPa
壳程
设计压力
常压
设计温度
350℃
设计温度
60℃
操作介质
/
操作介质
换热面积:0.084m2
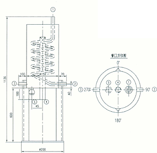
单-相取样冷却器管口说明表
规格型号
(施工图图号)
操作介质
盘管材质
设备开口DN
1
2
3
4
5
SCXQ-1A-1(S5-10-1)
油 品
20
15
15
20
25
G1/2
SCXQ-1A-2(S5-10-2)
含硫油品
1Cr18Ni9Ti
15
15
20
25
G1/2
SCXQ-1A-3(S5-10-3)
油 气
20
15
8(外)
20
25
G1/2
SCXQ-1A-4(S5-10-4)
含硫油气、氢气
1Cr18Ni9Ti
15
8(外)
20
25
G1/2


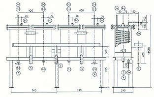
2、双联取样冷却器SCXQ-IB

双联取样冷却器主要性能表
管道
设计压力
0.58MPa
壳程
设计压力
0.58MPa
设计温度
172℃
设计温度
60℃
操作介质
汽、水
操作介质
换热面积:1.04m2
双联相取冷却器管口说明表
编号
名称
数量
公称直径DN
公称压力PN
备注
1
水蒸汽入口
2
10
/
2
水蒸汽出口
2
10
/
3
冷却水入口
1
40
2.0
4
冷却水出口
1
40
2.0
5
排水口
1
50
/
6
上排空口
2
G1/2
/
带管塞
7
下排空口
2
G1/2
/
带管塞


3、四联取样冷却器SCXQ-IC
四联取样冷却器主要性能表

管道
设计压力
4.62MPa
壳程
设计压力
0.58MPa
设计温度
275℃
设计温度
60℃
操作介质
汽、水
操作介质
换热面积:2.08m2


编号
名称
数量
公称直径DN
公称压力PN
备注
1
水蒸汽入口
4
10
/
2
水蒸汽入口
4
10
/
3
冷却水入口
1
40
2.0
4
冷却水出口
1
40
2.0
5
排水口
1
50
/
6
上排空口
2
G1/2
/
带管塞
7
下排空口
2
G1/2
/
带管塞

  返回
   
   
南通沃尔驰石化工程有限公司 地址:启东市汇龙镇中央河中路691号 邮编:226200 http://www.jsqdhy.com E-mail:13862978163@126.com
电话:0513-83325673 传真:0513-83119878 手机:13862978163
脱硫喷射器|罐用喷射器|罐内喷射器|文丘里喷射器