公司简介 公司新闻 综合资讯 产品展示 产品目录 客户反馈 联系我们 电子邮局
   主要产品为喷射器、蒸汽喷射器、脱硫喷射器、活性炭喷射器、静态混合器、动态混合设备、传热反应设备、过滤设备、消声设备、阻火设备等

混合器
管道过滤器
自清洗过滤器
空气过滤器
灭菌过滤器
滤件系列
精细过滤器
粉体输送设备
粉体混合设备
液体搅拌设备
消声器
特种小型设备
排水器
高效换热器
纸浆漂白专用设备
除污器(滤水器)
喷射器
纤维除雾器

 
喷射器
PSQ-型蒸汽喷射真空泵
PSG-气固喷射器
PSB电线电缆燃烧仪检测喷射器
PSC活性炭喷射器
PSS水泵房喷射节能器
PSY生物柴油喷射器
PST脱硫喷射器
PSD-地坑喷射器
PSJ喷射加热器
罐用喷射器
PSK开工抽引器
PSZ罐底焊缝真空检漏盒抽空器
液固喷射器
抽空器
 
OXB系列氧气用点阀箱
(一)、OXB/A1-4型氧气用点阀箱
1、用途
本产品适用于金属气焊、气割、火焰表面清理和热加工的氧气管路用户点,也能同氧气汇流排配套使用于上述各种用户点。
2、结构特点
本产品外部保护采用天蓝色烤漆防锈,阀箱接点可供1-4把焊炬或割炬分别使用,也可供同时使用。由于每个接点都分别配有减压器避免了同时使用时压力、流量的波动,内部所有管路均采用不锈钢(1Cr18Ni9Ti)制作。阀箱门接有箱体专用锁,便于集中管理,可避免因误操作造成的能源浪费和泄漏引起的不安全因素。
3、产品技术参数
氧气点阀箱技术参数
型号
 项目
OXB/A-1型
OXB/A-2型
OXB/A-3型
OXB/A-4型
正常使用压力MPa
0.1~1.6
0.1~1.6
0.1~1.6
0.1~1.6
流量Nm3/H
15~60
30~120
45~180
60~240
外形尺寸mm
1200×960×320
1200×960×320
1200×960×320
1200×960×320
接头规格
DN10×1
DN10×2
DN10×3
DN10×4
接管法兰规格
PN4.0或PN2.5 DN25
PN4.0或PN2.5 DN25
PN4.0或PN2.5 DN25
PN4.0或PN2.5 DN25
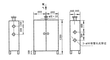
4、OXB/1-4型氧气接点阀箱安装示意图
5、选用说明
当进气压力P≤2.5MPa时,入口配JB/T81-94平焊钢法兰。
当进气压力2.5<P≤4.0MPa时,入口配JB/T82.2-94对焊钢法兰。
请用户订货时注明。
(二)、OXB/B1-3型氧气用点阀箱
1、用途
本产品适用于金属气焊、气割、火焰表面清理和热加工的氧气管路用户点,也能同氧气钢瓶组配套使用于上述各种用户点。
2、结构特点
本产品外部保护采用天蓝色烤漆防锈,阀箱接点可供1-3人分别使用,也可供同时使用。所用仪表可通过阀箱面板窥视孔直接观察,内部所有管路均采用不锈钢(1Cr18Ni9Ti)制作;阀箱门接有箱体专用锁,便于集中管理,可避免因误操作造成的能源浪费和泄漏引起的不安全因素。
3、产品技术参数
氧气点阀箱技术参数
型号
 项目
OXB/B-1型
OXB/B-2型
OXB/B-3型
正常使用氧气压力MPa
0.8~1.6
0.8~1.6
0.8~1.6
流量Nm3/H
15~30
30~45
45~100
外形尺寸mm
1000×500×240
1000×500×240
1000×500×240
接头规格
见附图
见附图
见附图
安装示意图
注意事项
本产品在安装过程中请注意进出气口不可接反,发现堵塞应清洗,使用一年后应进行全面检修。
南通沃尔驰石化工程有限公司 地址:启东市汇龙镇中央河中路691号 邮编:226200 http://www.jsqdhy.com E-mail:13862978163@126.com
电话:0513-83325673 传真:0513-83119878 手机:13862978163
脱硫喷射器|罐用喷射器|罐内喷射器|文丘里喷射器