公司简介 公司新闻 综合资讯 产品展示 产品目录 客户反馈 联系我们 电子邮局
   主要产品为喷射器、蒸汽喷射器、脱硫喷射器、活性炭喷射器、静态混合器、动态混合设备、传热反应设备、过滤设备、消声设备、阻火设备等

混合器
管道过滤器
自清洗过滤器
空气过滤器
灭菌过滤器
滤件系列
精细过滤器
粉体输送设备
粉体混合设备
液体搅拌设备
消声器
特种小型设备
排水器
高效换热器
纸浆漂白专用设备
除污器(滤水器)
喷射器
纤维除雾器

 
喷射器
PSQ-型蒸汽喷射真空泵
PSG-气固喷射器
PSB电线电缆燃烧仪检测喷射器
PSC活性炭喷射器
PSS水泵房喷射节能器
PSY生物柴油喷射器
PST脱硫喷射器
PSD-地坑喷射器
PSJ喷射加热器
罐用喷射器
PSK开工抽引器
PSZ罐底焊缝真空检漏盒抽空器
液固喷射器
抽空器
 
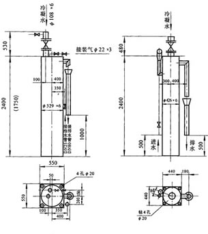
MGPB型系列煤气冷凝水排水器
1、MGPB型排水器适用于不同压力的各种工业煤气架空管道。
2、该排水器必须采用压力给水,给水量为2-4t/h。
3、排水器上设有蒸汽或氮气吹扫头,为防止煤气窜入蒸汽或氮气管内只有在通蒸汽或氮气时,才能把蒸汽或氮气与煤气和管道连通,停用时必须断开或堵盲板。
4、排出器冷凝水应集中处理。
5、设在露天的排水器有寒冷地区要采取防冻措施,设在室内的应有良好的自然通风。
MGPB型排水器系列规格选用表
型 号
允许煤气
最高压力
(KPa)
水封
高度
mm
外形尺寸(mm)
上水管
管径DN
(mm)
上水管
管径DN
(mm)
吹扫管
管径
Φ×δmm

煤气冷凝
水管径
Φ×δmm

筒外径Φ
筒高H
MGPB-I
14.01
2000
426
2400
20
80
Φ159×5
MGPB-II
21.48
2700
529
1750
25
80
Φ22×3
Φ108×6
MGPB-III
34.23
4000
529
2700
25
80
Φ22×3
Φ108×6
                MGPB-II、MGPB-III型    MGPB-I型
 
南通沃尔驰石化工程有限公司 地址:启东市汇龙镇中央河中路691号 邮编:226200 http://www.jsqdhy.com E-mail:13862978163@126.com
电话:0513-83325673 传真:0513-83119878 手机:13862978163
脱硫喷射器|罐用喷射器|罐内喷射器|文丘里喷射器